Stav: Prebiehajúca

Serverový čas: 29.05.2026 00:35

Karta obstarávania #36088
Elektroinštalácia a MaR

Informácie

ID zákazky
36088
Názov predmetu
Elektroinštalácia a MaR
Číslo spisu
36088
Druh postupu
Prieskum trhu
Typ šablóny
Prieskum trhu
Druh obstarávania
Tovar
Výsledok obstarávania
Uzavretie jednorázovej zmluvy
Predpokladaná hodnota
206 441,55 EUR
Obstarávanie sa delí na časti
Nie
NUTS
SK - Slovenská republika
Stručný opis

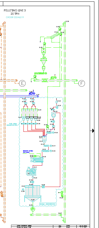
Predmetom zákazky je dodanie elektroinštalácie a MaR ku granulačnej linke, t.j. dodanie tovaru s montážou.

Špecifikácia jednotlivých položiek elektroinštalácie a MaR je uvedená v samostatnom dokumente Výzvy na predkladanie ponúk s názvom „VV - De Heus Kendice Granulačna linka GL2“.

Kritérium na vyhodnotenie ponúk
Najlepší pomer ceny a kvality
Na vyhodnotenie je určená cena

bez DPH

Termíny

Lehota na predkladanie ponúk
28.12.2022 10:00:00
Plánované otváranie ponúk
28.12.2022 15:00:00

Verejný obstarávateľ

Názov organizácie
De Heus s.r.o.
Adresa
Kendice 146
Kendice
082 01, Slovenská republika
Procesný garant
Ing. Zuzana Lenická
prv.projekty@gmail.com

Dokumenty